

本產品根據國外同類產品(西德樣品)研制生產,可以較為合理地完成機床控制要求,在一定程度上提高了機床生產效率。該產品結構簡單,安裝方便,機動性好,造型美觀,表面平整,粗糙度Ra≤1.6≤,硬(HB )≥70,能緊固于組合機床、機械平臺、液壓滑臺等各種機床的床身上,不會產生移位,工作可靠。

|
|
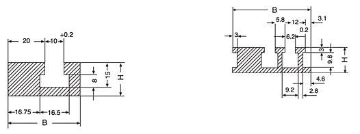
LB1#(11) |
LB2#(l1) |
LB3#(11 ) |
LB4#(11) |
LB5#(11) |
LB6#(11) |
|
B |
40 |
46 |
52 |
70 |
82 |
94 |
|
H |
20 |
16 |
16 |
16 |
16 |
16 |